当前位置: 首页 > 产品大全 > 巨型人工挖孔桩施工监理要点与风险控制

巨型人工挖孔桩施工监理要点与风险控制

巨型人工挖孔桩施工监理要点与风险控制

巨型人工挖孔桩因其单桩承载力高、适应性强,在大型建筑、桥梁等工程基础中应用广泛。其施工过程涉及深孔开挖、井下作业、护壁支护等诸多高风险环节,对施工监理工作提出了极高要求。有效的监理是确保工程安全、质量与进度的关键。

一、施工前准备阶段的监理重点

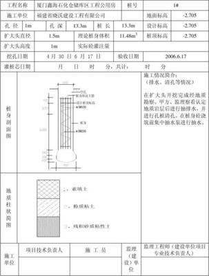
  1. 方案审核与交底:严格审查施工单位提交的专项施工方案、安全技术措施及应急预案,重点核查地质条件适应性、护壁设计、降水排水、通风照明、人员上下通道等。组织设计、施工、监理三方进行详细技术交底与安全交底。
  2. 人员与设备核查:检查特种作业人员(如井下工、电工、起重工)的资格证书,确保人证合一。核查提升设备、通风设备、排水泵、气体检测仪、应急爬梯等设备的合格证明与完好状态。
  3. 测量定位复核:依据设计图纸,严格复核桩位中心点、标高及轴线控制点,确保放线准确无误。

二、施工过程中的核心监理控制

  1. 开挖与护壁
  • 分层开挖:监督每节开挖深度(通常0.8-1.2m),严禁超挖。开挖后应立即进行护壁施工,做到“挖一节、护一节”。
  • 护壁质量:严格控制护壁混凝土的强度、厚度及配筋,确保其能有效抵抗土体侧压力。检查上下节护壁的搭接质量,防止脱节、渗漏。
  • 垂直度与孔径:使用铅垂或经纬仪定期检查孔壁垂直度;用钢尺丈量孔径,确保满足设计尺寸。
  1. 安全与环境监控
  • 有害气体与通风:每日开工前及作业中,必须使用检测仪器监测孔内是否存在有毒、可燃气体或氧气不足。强制通风设备必须持续运行,确保空气流通。
  • 防坠物与排水:孔口必须设置不低于1.2米的防护围栏,弃土及时清运,小型工具须有防坠绳。有效组织井内排水,防止积水浸泡。
  • 用电安全:井下必须使用安全电压(通常为12V或24V)照明,所有电器设备须有漏电保护装置。
  1. 终孔与清底验收
  • 当挖至设计标高或持力层时,监理需会同勘察、设计、施工方共同验槽。核查持力层岩土性质、深度是否与地勘报告相符。
  • 检查孔底虚土、积水、沉渣是否清理干净,确保孔底平整。
  1. 钢筋笼与混凝土浇筑
  • 对钢筋笼的规格、尺寸、焊接质量、保护层垫块进行隐蔽验收。吊装过程需平稳,防止碰撞孔壁。
  • 混凝土浇筑应采用导管或串筒连续进行,防止离析。监督振捣过程,确保护壁与桩身混凝土紧密结合。记录混凝土坍落度、浇筑量及浇筑时间。

三、常见风险与应急监理措施

  • 流砂、涌泥:遇不良地质时,应立即停止开挖,督促施工单位启动应急预案,如采用钢护筒、注浆等措施超前支护。
  • 坍塌:发现护壁变形、裂缝或土体异常时,立即撤出人员,分析原因并加固处理。
  • 中毒窒息:一旦气体检测超标或通风中断,立即命令人员撤离。

四、资料管理
监理需详细记录每日的《人工挖孔桩施工监理日志》,包括人员设备、开挖深度、地质情况、安全问题、验收过程等。及时签认各类隐蔽工程验收、材料报验等文件,确保资料与施工同步、真实、完整。

巨型人工挖孔桩施工监理是一项系统性、动态性的风险管控工作。监理工程师必须秉持“安全第一、质量为本”的原则,通过事前预控、过程严管、验收把关,全方位履行监理职责,才能有效化解施工风险,保障这一特殊基础形式的成功实施。

如若转载,请注明出处:http://www.gnzywk.com/product/302.html

更新时间:2026-04-01 23:49:59

产品列表

PRODUCT